US tech giant Apple has been allegedly targeted by hackers seeking $50 million in exchange for stolen confidential data on the company's upcoming products .
A cyber-espionage group based in Russia, dubbed as 'REvil' – responsible for several data thefts including the latest Acer data leak – stole product data from Quanta, a Taiwan-based company that manufactures MacBooks and other products of Apple.
After Quanta refused to pay the ransom to the hackers, the cybercriminal group is now hoping to get Apple itself to pay up by 1 May, promising to continue to post new images from the leak daily until it does.
In a statement to Bloomberg, Quanta confirmed that its servers were breached."Quanta Computer’s information security team has worked with external IT experts in response to cyber attacks on a small number of Quanta servers," the company said.
'Quanta Doesn't Care About Data of Its Customers': Hackers
On a dark website, the cyber criminal group said, “In order not to wait for the upcoming Apple presentations, today we, the REvil group, will provide data on the upcoming releases of the company so beloved by many [sic]," adding that “Tim Cook can say 'thank you, Quanta'. From our side, a lot of time has been devoted to solving this problem.”
The ransomware gang has also hinted that the data of other companies might also be leaked online.
“Our team is negotiating the sale of large quantities of confidential drawings and gigabytes of personal data with several major brands,” the REvil hackers wrote. “We recommend that Apple buy back the available data by 1 May.”
Blueprint Stolen
The hackers have claimed that the stolen documents from Quanta reveal that Apple plans to release new Apple laptops, a new Apple Watch and a new Lenovo ThinkPad. To back up their assertions, the hackers have posted a set of blueprints for some products, including schematics for the new iMacs that the company launched on Tuesday, 20 March.
- 01/03
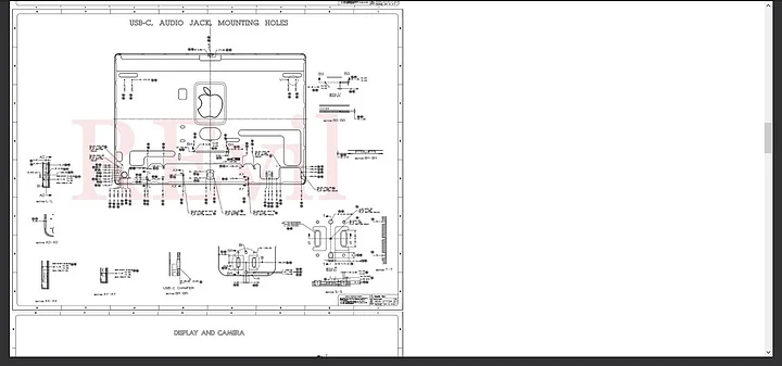
Leak1 : Blueprint of Display and Camera.
(Photo Courtesy: The Quint)

- 02/03
Leak 2: Blueprint of USB-C and Audio Jack.
(Photo Courtesy: The Quint)

- 03/03
Leak 3: Design of an iMac leaked
(Photo Courtesy: The Quint)

"These leaked photos have confidential blueprints and data in them. This is the 1st part of the leak. If Apple doesn't meet their demands, hackers have threatened to publish more files every day."Sourajeet Majumder, Cyber Security Researcher told The Quint
Apple Responds
Apple told The Record that it was looking into the incident and had nothing to share at the moment.
Acer Was Hit With The Same Demand
Earlier, in March computer tech giant Acer was allegedly attacked by a ransomware attack where the hackers demanded $50 million from the company.
In a statement Acer said that it is constantly under attack, and have reported recent aberrations.
“Acer routinely monitors its IT systems, and most cyberattacks are well defended. Companies like us are constantly under attack, and we have reported recent abnormal situations observed, to the relevant law enforcement and data protection authorities in multiple countries,” the statement read.
The spokesperson further said that it wont be possible to comment on any further details as “there is an ongoing investigation and for the sake of security”.



